Description
The zConnect garage door opener is designed for residential and light commercial usage, primarily for integration with Z-Wave home automation systems such as VeraEdge/VeraPlus/VeraSecure, Fibaro HC2/Lite or similar.
The zConnect garage door opener pairs with your existing automatic garage door opener via wired garage motor wall opener momentary switch to provide wireless remote opening and closing control from your Z-Wave network and controller. When installed, you can open and close your garage door from anywhere. The zConnect garage door opener has a lot of build in extra functionality.

Product Details
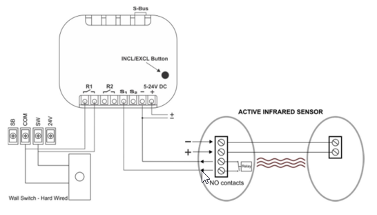
You can attach optional external devices to get audible and visual warnings to alert those nearby of the door’s impending movement, connect different binary and multilevel sensors via S-Bus port, IR beam sensor, limit switch to report its open or closed status to the Z-Wave Gateway etc. The zConnect garage door opener also works as a repeater for your Z-Wave network. If you are away from your home or property where you might want to remotely close garage, you can do it remotely from your smart phone or any internet enabled device via home automation application.The zConnect garage door opener is a Z-Wave controlled module and has two low voltage relay on board, two dry contact inputs, S-Bus port for external devices and sophisticated firmware to support multiple functions.
The zConnect garage door opener supports encrypted communications via the Security Command Class to prevent hacking and supports the Over the Air (OTA) feature for the product’s firmware upgrade (subject availability on your Z-Wave Gateway).
Please note: This device will work only with garage door motor which has dry contacts for the optional wall switch. Refer to your garage door motor manual. This device designed and assembled in Australia.

- Allows remote operation of a garage door opener using Z-Wave controllers.
- Acts as a Z-Wave repeater to improve communications within the Z-Wave mesh network.
- Connects to the garage door openers pushbutton wall console.
- A wireless/wired tilt sensor can be mounted on the garage door and reports the door’s position to the controller.
- An optional IR safety beams can be wired to Z-Wave garage door controller.

- Responds to Z-Wave commands from Z-Wave controllers to open or close the garage door.
- An optional warning indicator light flashes and a beeper sounds for 5 seconds before the door begins to move.
- Optional binary sensors like limit or reed switch can be connected to zConnect Z-Wave garage door controller.
- Optional multilevel sensors like temperature, PIR, humidity, luminosity and energy can be connected to zConnect Z-Wave garage door controller via S-Bus.
- Please note: Only one type of multilevel sensor can be connected to zConnect Z-Wave garage door controller at time and it has to be connected prior inclusion into Z-Wave network. If you need to change sensor to different type please exclude zConnect Z-Wave garage door controller from Z-Wave network and then include again.
- All above mentioned sensors can control other Z-Wave modules within Z-Wave network or garage door opener itself.
- zConnect Z-Wave garage door controller provides two ASSOCIATIONS GROUPS
Product Support
Please note: This device will work only with garage door motor which has dry contacts for the optional wall switch. Refer to your garage door motor manual.Please note: If you are installing the entire Z-Wave™ system for the first time, please refer to the installation guide of your Z-Wave Gateway before installing this device.
Manuals:
⇒ Installation Manual (Size: 1.6Mb)
Technical Specifications
|
RF Protocol
|
Z-Wave , SDK version: 6.51.03
|
|
RF Frequency
|
921.42Mhz ‐ AU/NZ approved RF for Z‐wave
|
|
Application
|
Indoor use only, for outdoor use watertight plastic box
|
|
Power
|
5-24 VDC
|
|
Operation Range
|
Up to 45m indoors with no obstacles
|
|
Enclosure
|
Plastic
|
|
Comliance
|
EN 60669-2-1
|
| Operating Temp. | -10C ~ +40C |
|
Dimensions
|
18mm x 48mm x 37mm
|
AEOTEC D/W Sensor
CLIPSAL SATURN Pushbutton LED
AEOTEC WallMote Quad 






Reviews
There are no reviews yet.